HYUNDAI FORKLIFT TRUCKS SERVICE MANUAL 2022.06

HYUNDAI

Relevant details

USD 80.00

Actions

Remote Demo Available - Mobile

FREE live demo no installation needed.

Start here

Complete information

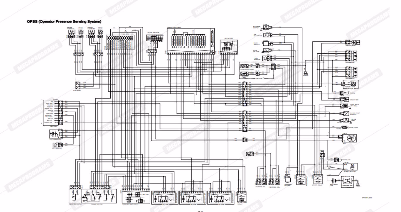
Description Hyundai forklift service manual 2022.06 contains all the information you need to repair, check or restore your hyundai material handling equipment for the disel, lpg, battery and warehouse equipment series.
Brand HYUNDAI
Category forklift
File Size 4.64 GB
Size Installed 5.7 GB
Region ALL REGIONS
Operating System* WINDOWS 11 PRO (64 BITS)
License time UNLIMITED
Database Language ENGLISH
Interface Language ENGLISH
Software Type CATALOG OF MANUALS
Demo Server yes

* Which OS data is supported and which is not is based on the information that Mecaprograms has verified so far. There may be other OS that we have not evaluated and that may be compatible or, failing that, may not be. Mecaprograms assumes responsibility only for the tests that we have carried out and the guarantees that we can offer based on them.

Relevant features

Updates

No information available

Support models

Compatible Vehicles

  • FORK TRUCKS
  • DISEL SERIES
  • HDF50/70A
  • HDF15/18-3
  • HDF15/18-5
  • 15/18D/20DA-7E
  • 20/25/30/33DF-7
  • 35/40/45D-7
  • HDF50/70-7(S)
  • 50/60/70DF-7
  • 110/130/140/160D-7E
  • 250D-7E
  • 110/130/160D-7A
  • 15/18/20D-9
  • 22/25/30/33D-9E
  • 35/40/45D-9S
  • 50D-9SA
  • 35/40/45D-9
  • 50DA-9
  • 80D-9(~#0078)
  • 250D-9
  • 160D-9L/180D-9B
  • 70/80D-9V
  • HDF35/45-3
  • HDF20/25/30-5
  • 20/25/30/33D-7
  • 35DF-7
  • 35/40/45D-7E
  • 50D-7AE
  • 35/40/45DS-7E
  • /50DA-7E
  • 80D-7
  • 110/130/160DF-7
  • 50/60/70D-7A
  • 20/25/30/35D(L)-7SA
  • 15/18/20D-9S
  • 22/25/30/33D-9T
  • 35/40/45D-9A
  • 50DA-9A
  • 35/40/45D-9F
  • 50DA-9F
  • 110/130/160D-9
  • 300D-9
  • 35/40/45D-9VB
  • 50DN-9VB
  • 40/45D-9VC
  • 50DN-9VC
  • HDF50/70-3
  • 20/25/30/33D-7E
  • 20/25/30/33DT-7
  • 35/40/45DS-7
  • 50/60/70DS-7E
  • 50/60/70D-7E
  • 80D-7E
  • 180D-7E
  • 100/120/135/160D-7
  • 25/30/35DE-7
  • 22/25/30/33D-9
  • 35DA-9
  • 22/25/30/33D-9S
  • 35/40/45D-9K
  • 50DA-9K
  • 50/60/70D-9
  • 80D-9
  • 180D-9
  • 50/70D-9B
  • 25/30D-9V
  • 35DN-9V
  • LPG SERIES
  • HLF15/18C-3
  • HLF15/18(C)-5
  • 20/25/30L(C)-7
  • 25/30/33L(G)
  • 25/30LC(GC)-7M
  • 15/18L(G)/20L(G)A-7
  • 15/18/20L(G)-7M
  • 25/30LC(GC)-7S
  • 20/25/30/35D(L)-7SA
  • 25/30/33L-9A
  • 35LN-9A
  • HLF20/25/30(C)-5
  • 20/25/30G(C)-7
  • 35/40/45/50L-7A
  • 15/18LC/20LCA-7
  • 15/18/20LC-7A
  • 25/30/33LF-7
  • 25/30/35LE-7
  • 35/40/45/50L-9
  • 25/30/33L(G)
  • 25/30LC(GC)-7A
  • 60/70L-7A
  • 15/18/20L(G)-7A
  • 15/18/20LC-7M
  • 35/40/45L-7
  • BATTERY SERIES
  • HBF15/18-3
  • HBF15/18T-5
  • BOP-7 serie
  • 15/18/20BT-7
  • HBF20/25/30C-7
  • 35/40/45/50B-7
  • BRJ-7 series
  • 20/25/30/32BC-7
  • 15P/40T-9
  • 10/13/15BTR-9
  • 15/18/20BCS-9
  • 20/25/30/32BC-9
  • 40/45/50B-9
  • 15/18/20BT-9U
  • 15P-7/40T-7
  • 16/18/20B-7
  • 22/25/30/32B-7
  • HBR14/15/18/20/25-7
  • BRP-7 series
  • 25/30/35B-7A
  • 10/13/15/18/20/25/30BR-9
  • 15/18/20/23BRP-9
  • 15/18/20BT-9
  • 22/25/30/32/35B-9
  • 16/18/20B-9F
  • 25/30/32/35B-9U
  • 15PA/40TA/60TA-7
  • HBF20/25/30/32-7
  • 20/25/30BH-7
  • BR-7 series
  • 22/25/30BHA-7
  • 15BR-9E
  • 14/16/20/25BRJ-9
  • 16/18/20B-9
  • 22/25/30/35BH-9
  • 22/25/30B-9F
  • 13BOP-9
  • WAREHOUSE EQUIPMENT (OPERATORS MANUAL & SERVICE MANUAL)
  • 10ELOP
  • 12EPML
  • 15/20ERSP
  • 15EST
  • 20EP
  • 20HP
  • 30HP
  • 15EPML
  • 10/12ES
  • 15EP
  • 15ES
  • 18EP
  • 20/25EPR
  • 25HP
  • 30EPCR
  • 45ET
  • 12ESN
  • 15EPM
  • 15ESR
  • 20EDPR
  • 20EPS
  • 25HPW
  • 12ESH
  • 30EPER
  • ENGINE MANUAL
  • YANMAR FUEL INJECTION
  • YANMAR 4TNE94
  • 98
  • 106
  • YANMAR 3TNV
  • 4TNV
  • 4TNE92 Service manual
  • 4TNE92 Operator manual
  • TNV SERIES-ECM
  • TNV ELEC T-SHOOTING
  • KUBOTA V3800-TIER 4 WSM (TIEF4
  • TIEF4C
  • TIEF4H)
  • KUBOTA V3800-TIER 4 WSM (CR-TE4B
  • CR-TIE4B)
  • KUBOTA V3800-TIER 4 DM
  • KUBOTA V3800-TIER 4 C/RAIL SYSTEM DM
  • KUBOTA V3600
  • KUBOTA V3307-WSM
  • KUBOTA V3307-OM
  • KUBOTA V3307-DM
  • KUBOTA V3300
  • KUBOTA V2203M-E3B
  • KUBOTA 03-M-E2B
  • KUBOTA WG3800 WSM(with Wiring Diagram)
  • KUBOTA WG3800-DM
  • KUBOTA WG3800-OM
  • KUBOTA Operator's manual
  • DAEDONG 3F183T WM
  • DAEDONG 3F183T OM
  • CUMMINS QSF3.8 SM-VOL.2
  • CUMMINS QSF3.8 SM-VOL.1
  • CUMMINS QSF3.8 O & M
  • CUMMINS QSB4.5 & 6.7
  • CUMMINS ENGINE ELE CIRCUIT
  • CUMMINS C8.3 T/Shooting & Repair manual
  • CUMMINS C8.3 Owners
  • CUMMINS QSB6.7 (Tier4 Final) Service
  • CUMMINS QSL9 (Tier4 Final) Service
  • MITSUBISHI S6S-T
  • MITSUBISHI S4S
  • S6S
  • MITSUBISHI S4K
  • S6K
  • MITSUBISHI L2(A
  • B
  • E)
  • L3(A
  • B
  • E)
  • MITSUBISHI D04FD-TAA
  • MITSUBISHI 4G63-32HL
  • 4G64-33HL
  • MTU 4R6R1000
  • HYUNDAI L4GC
  • HYUNDAI D6B
  • HYUNDAI D6A
  • HYUNDAI D4DA
  • HMC L4KB9 SM
  • HMC L4KB LPG Application stage V
  • HMC EXCION FUEL SYSTEM
  • HMC E-CONTROLS SM
  • HMC D4DD
  • HMC D4BB
  • HMC D4HB(STAGE V) ENGINE MECH. SYSTEM
  • HMC D4CC Workshop Manual/ Mech. System
  • HMC D4CC (E2.9) DIAGNOSIS GUIDE
  • HMC D4HB (R2.2) DIAGNOSIS GUIDE
  • WIA WC30D Service manual
  • WIA WC30D Operator manual
  • HMC 2.4L(WOODWARD LPG SYSTEM)
  • HMC 2.4L WOODWARD LPG TOOL KIT
  • IVECO Operator's manual
  • IVECO F4GE
  • ISUZU 4JG2
  • GM4.3L TIER-3 IMPCO FUEL SYS
  • GM4.3L Service manual
  • GM3.0L Service & repair manual
  • GM3.0/4.3 TIER-4 PSI FUEL SYS
  • LPG & BI-FUEL IMPCOS/MANUAL